1
/
of
1
Volvo
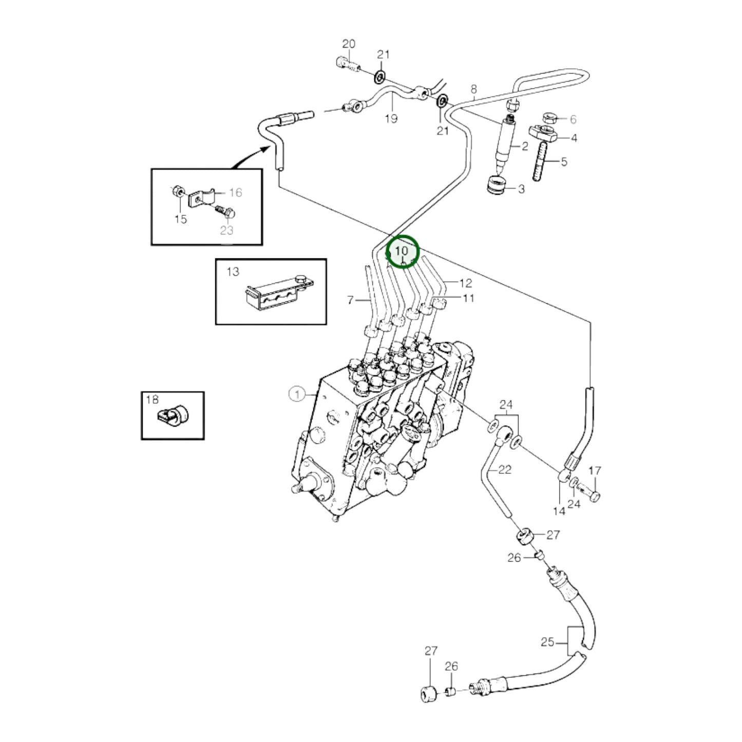
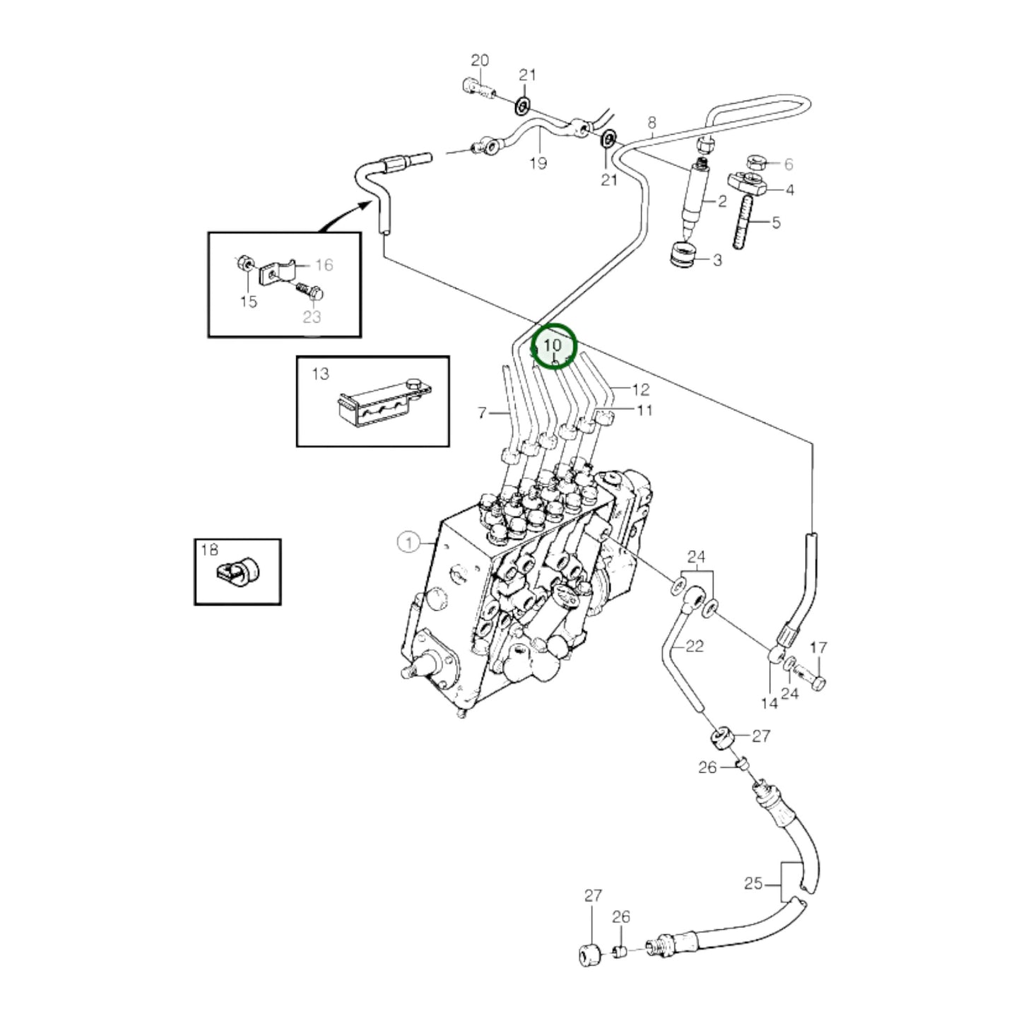
3827864 - Delivery Pipe
3827864 - Delivery Pipe
Regular price
AED718.00
Regular price
Sale price
AED718.00
Unit price
/
per
Shipping calculated at checkout.
Couldn't load pickup availability
Delivery Pipe
Used in Volvo Penta, Volvo trucks, and various Volvo engines
HS Code - 84099900
Share
