1
/
of
1
Volvo
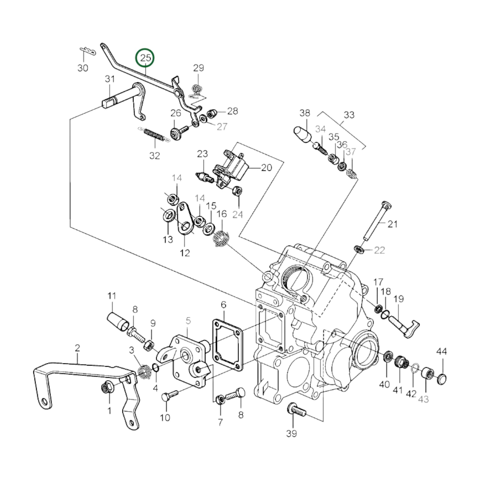
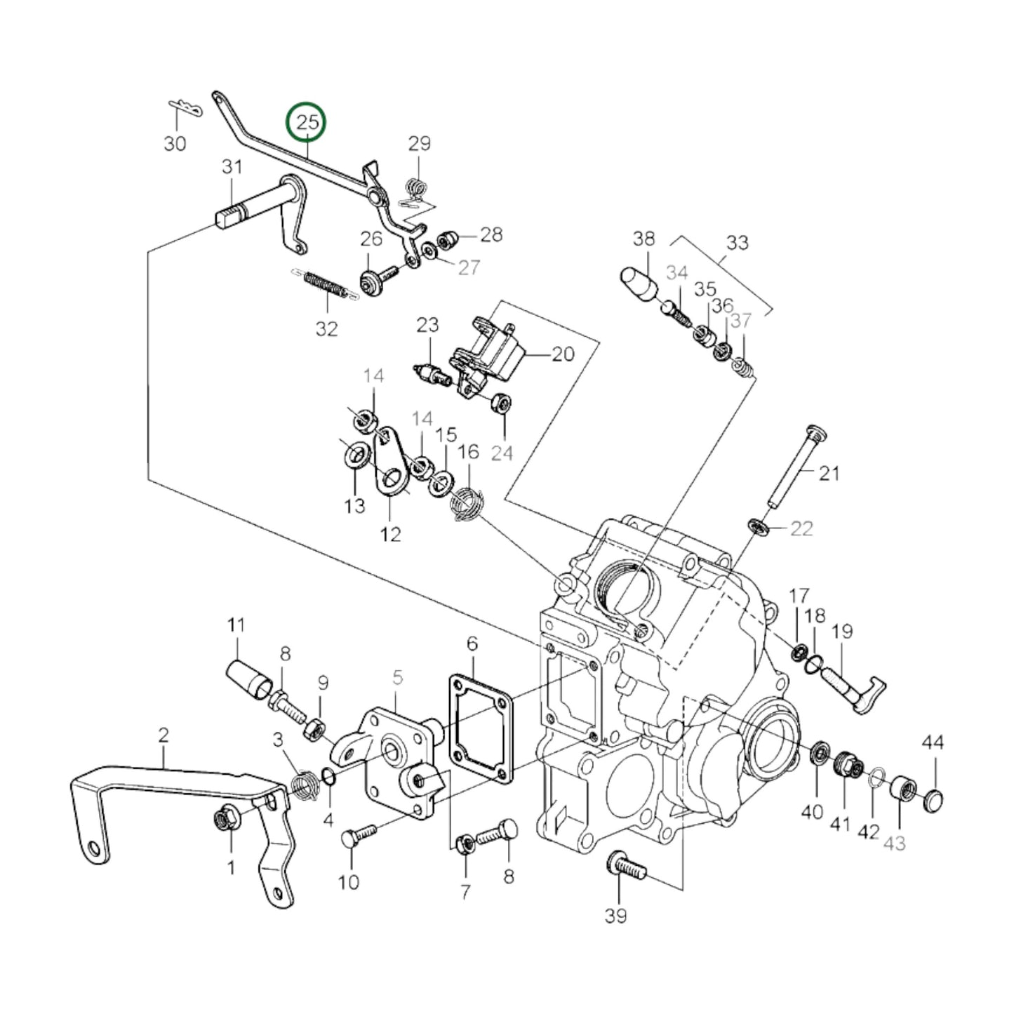
21187763 - Intermediate Lever
21187763 - Intermediate Lever
Regular price
AED294.00
Regular price
Sale price
AED294.00
Unit price
/
per
Shipping calculated at checkout.
Couldn't load pickup availability
Intermediate Lever
Used in Volvo Penta, Volvo trucks, and various Volvo engines.
HS Code - 84099900
Share
