1
/
of
1
Volvo
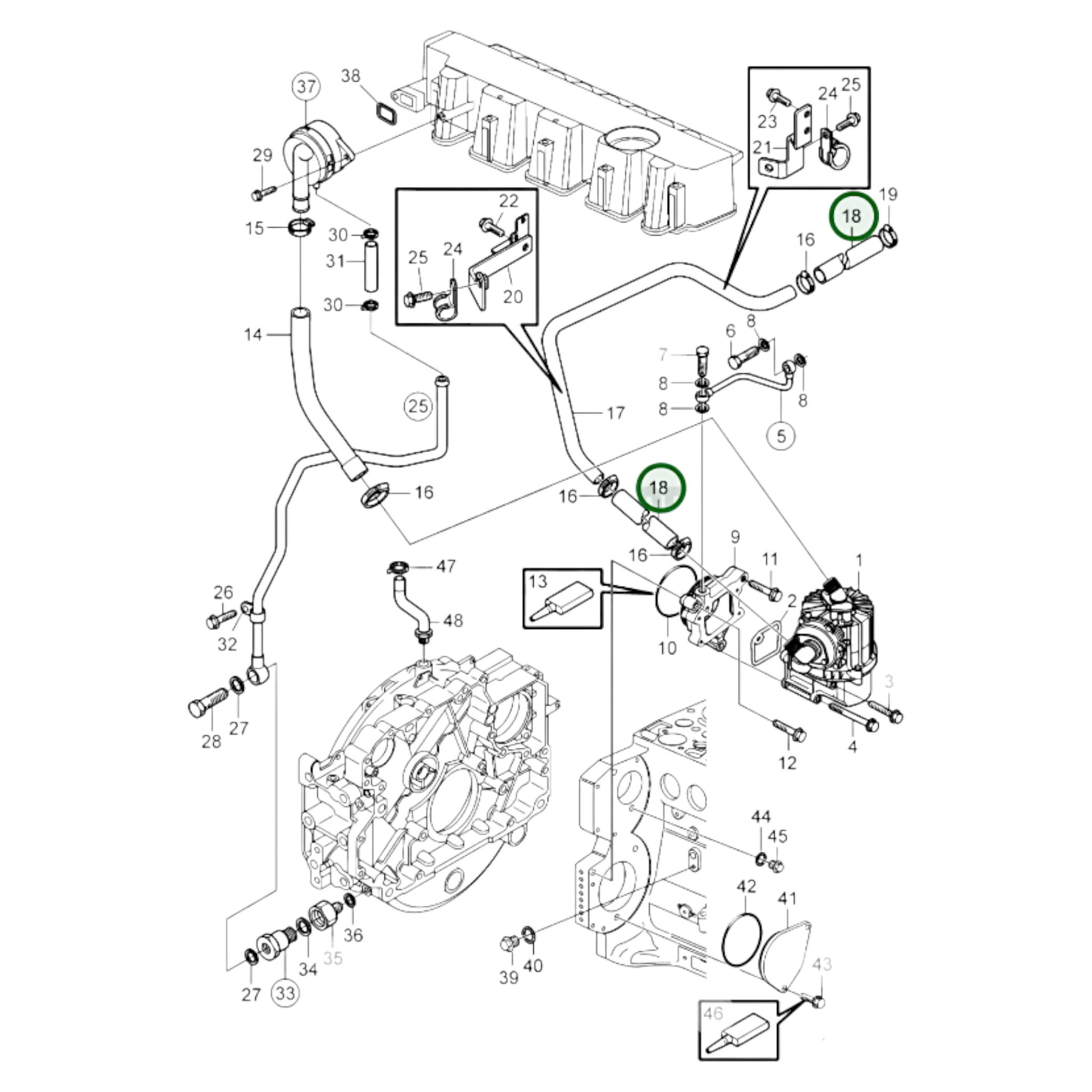
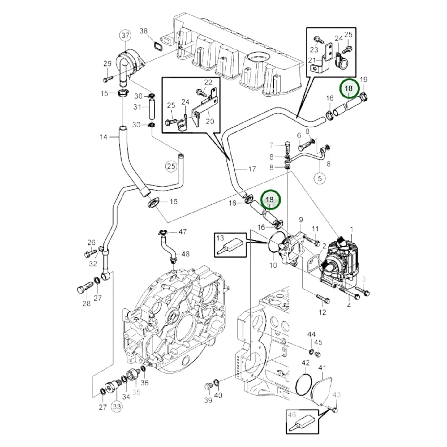
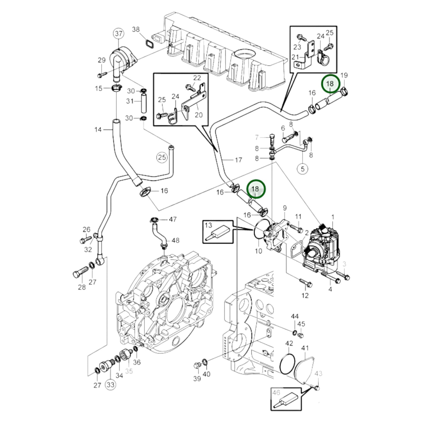
21881488 - Rubber Sleeve
21881488 - Rubber Sleeve
Regular price
AED128.00
Regular price
Sale price
AED128.00
Unit price
/
per
Shipping calculated at checkout.
Couldn't load pickup availability
Rubber Sleeve
Used in Volvo Penta, Volvo trucks, and various Volvo engines.
HS Code - 40169997
Share
